656KW柴油發電機組單機配電箱主要元件線路圖
本工程項目單機配電箱配備的是一臺656KW柴油發電機組,15秒內應急自起動與市電進行切換,起電流保護作用。此方案單機配電箱元件即專門針對作為應急電源和備用照明電源的656KW柴油發電機組試運行而制訂。
柴油發電機組配電箱的作用:
1、合理的分配電能。
2、方便對電路的開合操作。
3、有較高的安全防護等級,能直觀的顯示電路的導通狀態。
項目名稱:656KW柴油發電機組單機配電箱主要元件明細清單 | |||||
配電箱主要元件清單 | |||||
序號 | 名稱 | 型號規格 | 單位 | 數量 | 廠家 |
1 | 塑殼斷路器 | NXM-1250S/3300 1250A | 臺 | 1 | 正泰 |
2 | 發電機組控制器 | HGM6110 | 只 | 1 | 眾智 |
3 | 發電機轉速控制器 | C2002 | 只 | 1 | 孚創 |
4 | 直流電源模塊 | DC24V | 只 | 1 | 眾智 |
5 | 小型中間繼電器 | HH54P DC24V | 只 | 2 | 正泰 |
6 | 小型中間繼電器 | HH54P AC220V | 只 | 1 | 正泰 |
7 | 急停接鈕 | LA37-11MZS紅 | 只 | 1 | 國優 |
8 | 旋鈕 | LA37-11X/2黑 | 只 | 1 | 國優 |
9 | 熔斷器 | RT14-20/6A | 套 | 5 | 正泰 |
10 | 主銅排 | TMY-50*8 | 米 | 1.2 | 國優 |
11 | 零排 | TMY-40*4 | 米 | 0.3 | 國優 |
12 | 輔材 | 臺 | 2 | 國優 | |

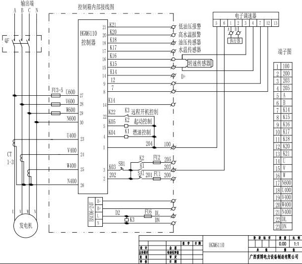
656KW柴油發電機組單機配電箱元件線路圖
以上656KW柴油發電機組單機配電箱主要元件線路圖來由廣西柴油發電機組廠家頂博電力(http://www.tjxygj.com)設計制作 ,頂博電力十多年老品牌企業,供應的柴油發電機組功率范圍為功率為20kw-3000kw,康明斯、玉柴、沃爾沃、帕金斯、上柴、濰柴、奔馳、道依茨等各大品牌,產品出口東南亞、非洲、中東等地。適用于工礦企業、公路、鐵路、房地產、酒店、學校、醫院等各行業用戶,是理想供電產品。熱線:13667715899
推薦文章
- 近20年技術沉淀:選擇頂博,不僅是選產品更是選擇全生命周期服務! 2025-11-03
- 頂博發電機組全覆蓋:從醫院到野外施工,頂博發電機組成為各行業首選備用電源設備! 2025-10-31
- 家用/工業全搞定!全球大牌發電機組任選,3分鐘匹配你的用電方案! 2025-10-31
- 價格與價值的抉擇:為什么說頂博發電機組是性價比最優選? 2025-10-30
- 醫院重癥監護的“生命線”:頂博智能發電機組自動切換保障24小時穩定供電 2025-10-28
- 選購發電機組,請認準頂博,備用電源的“終極方案”! 2025-10-24
- 發電機組也支持遠程遙控?智能時代的產品就是強! 2025-10-23
- 頂博智能發電機組:讓電力管理邁入"云時代"的智慧之選 2025-10-22
- 選購發電機組,就選頂博智能發電機組!為什么?就因為它夠智能 2025-10-22
- 預算有限怎么選智能柴油發電機組?頂博這三款超高性價比機組最適合你 2025-10-21





桂公網安備45010702002247